Alle activiteit
Deze stream update zichzelf
- Afgelopen uur
-
Vraag: Hoe noodaggregaat aansluiten op stroomnet thuis?
gerard reageerde op lewieke's topic in Vuur, verwarming en energie
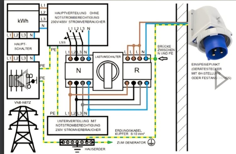
Beste @plonie Als u het hele huis van stroom wilt voorzien, kunt u het beste de hoofdschakelaar in de groepenkast laten vervangen. Door een die geschikt is voor noodstroom. Zoals bijvoorbeeld deze https://elektradirect.nl/groepenkasten/hager/hager-lastschakelaar/hager-lastschakelaar-him/him404-omschakelaar-40a-4polig-3standen-1-0-2-7mod/? Ik heb de Huttenberg aggregaten eens opgezocht, en ik wil zeker uw aggregaat niet afkraken (ik heb een vergelijkbare aggregaat). Het probleem met deze aggregaten is dat de spanning niet zuiver is geregeld per fase. Daarmee bedoel ik, als je bijvoorbeeld L1 belast met bijvoorbeeld 1000Watt. Dan zal de spanning op L1 zakken en de spanning op L2 en L3 stijgen En dat kan veel meer zijn dan je verwacht. Ik heb een keer wat getest en kwam op 180V en de andere fasen op 260V. Voor wat losse lampjes is dat niet zo'n probleem (als die verdeel zijn over de fase), dan blijven de fase wel in balans. Maar stel iemand zet een waterkoker aan op L1, vervolgens branden apparaten op L2 en L3 door. Maar de beste test; ga eens zelf proberen wat de spanning doet als u de aggregaat ongelijk belast. Met een simpele Kwh meter die je in het stopcontact kan steken, kan je ook meten hoeveel spanning er op de fase staat. Ik was ook ooit van plan om noodstroom te maken op de groepenkast. Maar dan zal ik een veel betere aggregaat nodig hebben.- 122 antwoorden
-
- aggregaat
- noodstroom
-
(en 1 meer)
Getagd met:
-
Vraag: Hoe noodaggregaat aansluiten op stroomnet thuis?
gerard reageerde op lewieke's topic in Vuur, verwarming en energie
.- 122 antwoorden
-
- aggregaat
- noodstroom
-
(en 1 meer)
Getagd met:
-
Vraag: Hoe noodaggregaat aansluiten op stroomnet thuis?
gerard reageerde op lewieke's topic in Vuur, verwarming en energie
.- 122 antwoorden
-
- aggregaat
- noodstroom
-
(en 1 meer)
Getagd met:
- Vandaag
-
Vraag: Hoe noodaggregaat aansluiten op stroomnet thuis?
plonie reageerde op lewieke's topic in Vuur, verwarming en energie
Dank je wel voor je antwoord, en dat wordt puzzelen hoe we dat gaan doen. Als iemand weet wat er aangesloten kan worden om licht te hebben hoor ik het graag. Wij hebben een Huttenberg aggregaat gekocht voor noodgevallen. Gr Plonie- 122 antwoorden
-
- aggregaat
- noodstroom
-
(en 1 meer)
Getagd met:
-
Dank je wel voor je wijze reactie beste @Red Tja ons leven is een dikke traan, maar hebben zeker door al wat we hebben mee gemaakt ontzettend veel geleerd, wij hebben zeker de predicaat ervaringsdeskundigen op ons lijf geschreven staan op een heel breed vlak, met vele heftige trauma's waar we zelf altijd weer met eigen inzichten door heen zijn gekomen, en wij als stel hebben elke dag wel dikke humor en lol ondanks dat we al heel wat jaren in een totale isolement leven, en kinderen en klein kinderen moeten missen, daar hebben onze exen wel voor gezorgd, en kennissen en familie hebben opgestookt, ja dat is heftig, en ze hebben er ook nog voor gezorgd dat we dakloos werden. Heel jammer want wij zijn schatten van mensen, die altijd te zacht en goed zijn geweest. Maar een geluk bij een ongeluk wij als stel hebben zo ontzettend veel dingen gemeen, dat is onvoorstelbaar en we zijn echte overlevers. Met de boot gemist hebben, wij hebben als echte Nederlanders, vanaf vroeger al gehad dat we hier in NL (EU) niet thuis hoorden altijd het gevoel van heimwee, naar een fijne samenleving, waar iedereen elkaar waardeert en van elkaars gezelschap geniet en respect voor elkaar heeft, zoals we hier op het forum om elkaar geven, prachtig voor ons dat mee te mogen maken dat dan zijn we toch niet helemaal eenzaam, ja we zijn hier prachtige mensen tegen gekomen door de jaren heen, en nog steeds. Ja we hebben gewacht op het moment dat we zouden kunnen vertrekken naar een bestemming die bij ons zou passen, en dat zou zijn als we gepensioneerd zouden zijn hebben er helemaal naar toe geleefd met net genoeg huisraad voor ons tweeën, klaar om te vertrekken en het beetje aan huisraad konden laten ophalen door de kringloop winkels, alle goede spullen die we hadden hebben we door de jaren heen verkocht voor best nog wel een goede prijs. Maar de toestanden in de wereld zijn zo verslechterd dat we geen land zien die nog voor ons in aanmerking komt, dus hebben we op die manier de boot gemist, haha misschien ook wel beter zo, en nu proberen we het aller beste er van te maken binnen de mogelijkheden die we hebben, en dat gaat redelijk, binnen de grenzen. Ja zeker we missen ontzettend dat we buiten het forum om geen fijne vrienden of familie hebben, want we zijn heel sociaal en helpen een ander graag die het waard zijn, met elkaar wat van hel leven maken is prachtig daar doe je het voor. Ja en daar bij is het ontzettend triest dat onze kinderen zijn opgestookt door onze exen we hebben ze al vele jaren niet meer mee gemaakt en dat doet ontzettend pijn, daar moeten we ons steeds maar weer overheen zetten, en ja het lichaam gaat daar gebukt onder, maar onze geest blijft jong en onderneming lustig, die voelt zich niet oud en past niet bij ons, haha maar je komt er niet onderuit, want het is een feit dat de jaren voorbij vliegen, ja dat gaat razend snel, voelt niet als iets wat bij de mens past. Misschien was het wel goed wat over ons zelf bloot te geven, en heb het in vertrouwde handen gegeven. Heel misschien komen onze kinderen hier ook wel terecht en lezen ze onze verhalen, hoop van harte dat ze er wat aan hebben, en ook wat ze hier allemaal kunnen leren en van jullie kunnen genieten.
- Gisteren
-
Albert12349 startte met het volgen van Welke petroleum voor petroleumstelletje om op te koken
-
Welke petroleum voor petroleumstelletje om op te koken
Albert12349 reageerde op ChacMol's topic in Vuur, verwarming en energie
I.p.v. De dure officiele kachel brandstof wat eigenlijk GTL is kun je veel beter rond kijken naar een petroleum boer. Deze zijn vaak veel goedkoper. Ik kook op GTL en verwarm op rode petroleum. In een Zibro kachel is geeft dat alleen CO2, geen CO of stikstof.. GTL walmt iets minder snel dan rode (authentieke) petroleum maar is wel iets duurder. Je kunt beide heel goed in je petrostel doen. Lampolie kan ook maar zou ik niet doen daar het minder calorische waarde heeft en duur is. Petroleumboeren zitten overal in nederland. In het westen zijn ze vaak goedkoper dan het oosten. De goedkoopste die ik gevonden heb is vanDeutekom in den Helder; levert door het land, is alleen wel slordig in het werken. -
Heel je leven lang voor niets geprept
mevr.Grijpstra reageerde op nitrogenix's topic in Survival Algemeen
echte TOPPERS !! 🤣 👍 nee hoor geintje natuurlijk.. want het is heel niks gek om zoiets op die manier te "oefenen" maar wat bedoel je precies met dat spullen verdelen? jullie hebt op elke plek zaken neergelegd die je daarvandaan snel kon meepakken ? begrijp ik het zo goed? -
Ja dit is nog eens een topic, Wij hebben dingen verdeeld, in huis de schuur in de flat, in ons campertje en spullen in onze rugzakken voor het geval van brand of andere dingen waar voor je snel het huis uit zou moeten gaan. Ik heb op deze topic gereageerd om het weer onder de aandacht te brengen, want de mens is geneigd om dingen maar te nemen zoals ze gewend zijn. Maar in deze tijd kan dat niet meer, voor de eerste wereld oorlog was er rust en een vredig leven men hoefde de deuren niet op slot te doen, maar de tijden zijn danig veranderd we moeten met allerlei scenario's rekening houden, en dat is "heden ten dagen" een noodzaak geworden. Ja we hebben redelijk vaak met onze rugzak en wat handspullen in ons campertje gezeten om dat er weer brandalarm af ging en het zekere voor het onzekere namen, het is trouwens een goede training van het goed voorbereid zijn, dan merk je echt of je het redelijk goed voor elkaar hebt. Dan hebben ruim alles bij ons wat noodzakelijk is om het een tijd uit te kunnen zingen. Tot we weer het huis in orde kunnen maken mocht er brand of iets dergelijk aan de hand kan zijn geweest.
-
JJ&A startte met het volgen van Brillen en dat soort zaken...
-
@JJ&A Ik vind dat je het wel wat minder negatief mag brengen. Je bent nooit te laat. Er is altijd wel wat te leren en dat leer je niet enkel en alleen hier op het forum. Juist voor zo'n podcast moet hij zich in de stof verdiepen, alle fora en Reddits doorstruinen én zin en onzin scheiden. Ik denk dat het best wel leerzaam is. Alles wat je al weet, helpt je weer verder. Je hoeft geen afgestudeerde bushcrafter te zijn met een 4x4 Bug-Out amfibievoertuig en een eilandje als BOL.
- Afgelopen week
-
De crux zit hem in de krachtverdeling. Dit zijn balletjes, geen puntige kogels. Uiteindelijk doet het ook meer pijn om met je blote vuist op die binnendeur te slaan dan wanneer je een jas aan die deur zou hangen. Het doet echt wel zeer, zie onderstaand filmpje, de Uramex is vergelijkbaar qua output maar het is echt net genoeg om iemand pijn te doen. Als je 12 keer schiet zijn die laatste 2 schoten net niks meer en dan moet je vol adrenaline ook nog die andere 10 wel raak schieten. Daarna zit je potentiële aanvallen ook vol adrenaline en jij zonder kogels. Zodra je voor het lijf gaat en iemand een dikke jas aan heeft valt de uitwerking tegen. Ik denk ook aan een scenario met meerdere mensen, dus stel je hebt er 2 of 3 voor je, wat dan? Dan zijn 10/12 balletjes ineens heel erg weinig en tijd om te herladen heb je met het wisselen van een CO2 patroon gewoon niet. In hele specifieke omstandigheden kan het helpen maar ik denk dat het pistool zelf qua looks misschien nog meer afschrikt dan de schade die het kan veroorzaken zelf, tenzij je voor iemands hoofd gaat natuurlijk. Zie dit filmpje vanaf ongeveer 5:50 is wel een Umarex maar die heeft nagenoeg zelfde specs.
-
Ik heb een tijd geleden een video gezien van een chad die een keer of 20 op zich liet schieten met een x68 met verschillende munitie. Hij had zeker een hoop pijn, maar het laat wel zien dat 40 joule met een grote diameter niet penetreert ofzo. Maar ik ga binnenkort eens kijken of ik een .50 balletjes pistool over de 80 joule krijg met wat rommel die ik heb rondslingeren. Niet als home defence, maar gewoon als leuk hobby projectje.
-
@xs4all Klopt dat er vele niet erop voor zijn bereid, want hun negeren het ook en gaan door met “normale leven” (normalcy bias). Totdat het gebeurt en dan is het paniek kopen en/of plunderen :- / en het hele Goud en Zilver ding tja, alleen de gene die in het oude systeem geloven zullen het echt willen (ook na een week van SHTF).
-
Vraag: Hoe noodaggregaat aansluiten op stroomnet thuis?
gerard reageerde op lewieke's topic in Vuur, verwarming en energie
Beste @plonie, Dat is om meerdere rede zeer onverstandig. Wanneer bijvoorbeeld iemand merkt dat het stroomnet weer werkt, en vervolgens de hoofdschakelaar omzet. Krijg je een grote kortsluiting, waar veel schade bij zal ontstaan aan de aggregaat, het huis, mogelijk ook de zekeringen in de straat en kans op een vlamboog. De snoer die u wilt gebruiken heeft aan 2 kanten een mannelijke stekker. Wanneer deze eerst in de aggregaat word gestoken, staat aan de andere kant voeding op de stekker pennen. Andere rede is dat de aarding niet meer normaal is, omdat een aggregaat meestal een zwevend net heeft. Waardoor apparaten als een CV ketel niet zullen werken. Omdat deze een aarde nodig hebben, om door de opstartfase te komen. Het stroomnet is dan ook niet beschermd met de aardlekschakelaars en zekeringen in de groepenkast, omdat je het net dan vanaf de wcd's gaat voeden. Ik zou gaan voor losse kabels, om zo losse apparaten te voeden. Of Wanneer u een aggregaat heeft met frequentie en spanningsregelaar, kunt u met een speciale hoofdschakelaar kiezen tussen netvoeding en noodstroom. Dan werken de zekeringen en aardlekschakelaars ook zoals het hoort.- 122 antwoorden
-
- aggregaat
- noodstroom
-
(en 1 meer)
Getagd met:
-
Die QuickSilver balletjes schieten het zuiverst volgens mij. Met de demper/ verlengde loop schiet je ook zuiverder. Een gewatteerde jas heb ik nog niet geprobeerd. Maar zoals eerder verteld schiet je met die QuickSilver en steelcore met gemak door een binnen deur heen. Ik denk nog steeds dat het letsel veel ernstiger gaat zijn, dan wat jullie nu denken. En je schiet ook niet 1 keer maar 12 keer met de flashloader of fastloader. Ik kan jullie de barrel extensie sterk aan raden . Men beweert dat het daarmee ook 50% krachtiger schiet . Ik heb ook flinke kwaliteit verschil gemerkt tussen de verschillende merken gas patronen .
-
Goud en zilver zijn volgens mij alleen nuttig na een SHTF situatie. Enkele maanden daarna dus. Als je ziet hoeveel bijna blinde paniek er nog steeds heerst wanneer we even geen kraanwater hebben (supermarkt direct leeg) laat dit vooral zien dat het overgrote gedeelte van Nederland letterlijk niets in huis heeft. Ik ben dus stellig in de overtuiging dat voedsel, water en zaken om voedsel en of water te maken en te bewaren heel snel, heel waardevol zou zijn. Persoonlijk zou ik ook alleen iets ruilen voor iets van gelijke waarde. Aangezien goud mij niet helpt om mij te verdedigen. Sterker nog ik vermijd dat liever want andere types hebben het misschien juist op mensen met goud/zilver gemunt. Contant geld helpt misschien de 1e dagen, goud en zilver ook maar zodra het voedsel op is en water schaars gaat worden denk ik dat die waarde snel afneemt. Daarnaast wil ik ook niet letterlijk op een stapel goud zitten, dat nieuws gaat denk ik sneller dan je wilt rond met alle mogelijke gevolgen van dien. Ik heb liever dat de wereld denkt dat ik niets van waarde heb in een SHTF situatie. Boeken, potten, filters, zaden, opslag, kennis, dat gaat je denk ik helpen.
-
Het kan inderdaad aan mijn rubberen ballen hebben gelegen dat het ding niks raakt en dat het met andere munitie beter werkt. Met een 5,5mm knik pistooltje kan ik op 25 meter een target van 10cm raken, dus ik denk niet dat het (deze keer) aan mijn incapabelheid ligt. Er zijn btw betere flashloaders en andere goodies te downloaden en te printen zoals eerder hier al vernoemt (Met link!)
-
Ja precies, de gemiddelde Nederlander heeft echt geen referentiekader en zelfs al heb je dat wel, hoeveel risico ga je nemen dat je toch een keer een echt wapen treft als je denkt dat het slechts een CO2 wapen is. Sommige buksen hebben sowieso enorm veel (meer) power. Na een "testrondje" in de achtertuin kan ik zeggen dat tot een 10/15 meter de Vesta met rubber en steelcore behoorlijk trefzeker is, meer afstand kan ik niet legaal creëren helaas haha! Alles ter grote van een mensenhoofd kan ik in 100% van de gevallen raken. Of het aan de Vesta, munitie of mijn eigen capaciteit ligt durf ik niet te zeggen maar 100% on target raken is inderdaad lastig. Maar in het scenario van inbreker onderaan de trap raak je hem vol in z'n smoel zeg maar. Al met al is het best een grappig ding zeker als je kijkt wat hij kost. Ik ben vooral benieuwd of de gemiddelde koper A, begrijpt wat het is en B, ook echt een toepassing heeft in een veronderstelde noodsituatie. Denk dat voor 200 euro aan fatsoenlijke sloten in 99% van de gevallen een betere investering is. Bij een SHTF situatie kun je de Vesta misschien als een bluf apparaat gebruiken maar 1x schieten en een groep van 2 of meer mensen overmeesterd je natuurlijk alsnog met gemak aangezien je er nauwelijks echt schade mee kunt aanrichtingen. Zou meer een ideale sidekick kunnen zijn als je een goeie non-lethal tik wilt uitdelen. Ik had ook zo'n flashloader (€25,00) gekocht en die is van de ronduit waardeloze kwaliteit. Super cheap ass plastic. Je drukt de balletjes door een opening waar een o-ring in zit die voorkomt dat de balletjes er weer uitvallen en die duwde ik door z'n zitting heen na balletjes 3, even pielen en de o-ring zit op z'n plek maar dat is op z'n zachtst gezegd geen hoogstaande kwaliteit. De flashloader viel daarnaast direct van het pistool, bleef niet eens een beetje zitten. Daar werkt deze fix wel voor, maar dat is wel heel beun de haas. ; Zie ook dit filmpje:
-
plonie werd lid van de community
-
Vraag: Hoe noodaggregaat aansluiten op stroomnet thuis?
plonie reageerde op lewieke's topic in Vuur, verwarming en energie
Kan ik mijn hoofdschakelaar uitschakelen en dan een stekker met 2 poten in het stopcontact doen bij gebruik van mijn aggregaat heb ik dan ook stroom in huis- 122 antwoorden
-
- aggregaat
- noodstroom
-
(en 1 meer)
Getagd met:
-
Wasteland Scavenger wijzigde zijn profielfoto
-
Wasteland Scavenger werd lid van de community
-
Ik zou zeggen Goud en Zilver zijn nutteloos als het echt SHTF, want niemand kan zo kunnen ruilen wat je eventueel ervoor wilt hebben (alleen als alles voorbij is en voor wederop bouw dan). wat wel waarde zal hebben zijn: - Gereedschap(pen). - Aanstekers en andere vuur makers. - Batterijen. - Geneesmiddelen (bv. Anti-biotica, EHBO-kit). - Diensten die je kan verlenen (zoals: dingen maken/repareren). - Sigaretten. - Drank (alcohol). - Koffie. Extra: - Lege glaze potten. - Naald, draad en stukjes stof. dit is wat ik zo weet dat het wel goed zal doen als het echt zover is.
-
Het pistool heeft zeer zeker een pistool vorm, dat kan ik niet ontkennen nee. (dit bedoel ik extreem droog, niet eikelig) En heel eerlijk, nagenoeg al mijn lucht geweren hebben stiekem ook best wel, een geweer vorm. Ik durf te wedden dat ik met de helft van mijn luchtbuksen een tankstation kan overvallen omdat ze "echt" lijken. 😅 En wat je zegt, voor het hoofd gaan met zo'n sentinel... Mijn ervaring met zo'n ding was dat de rubber ballen een flinke afwijking hadden, ik kon ze letterlijk met een boog zien afbuigen, de ene keer links, dan rechts, soms boven en onder. Iets met rondje projectielen die door de loop rollen. Op 5 meter een headshot maken, dan kan lastig zijn, misschien dat de niet rubbere projectielen beter werken, maar die waren uitverkocht toendertijd.
-
De maas in de wet is volgens mij dat volgens Nederlandse wetgeving een in de vrije handel te verkrijgen CO2 pistool niet te veel op een echt pistool mag lijken. Daarom heeft de "Duitse" versie een iets andere slede. Je kunt simpelweg niet ontkennen dat de Vesta gewoon enorm lijkt op een conventioneel pistool. De makers hebben hem inderdaad precies binnen de grenzen van wat mag geproduceerd. Misschien niet een echte "maas in de wet" maar het is duidelijk wat ze proberen. Ik hou het maar op YouTube filmpjes kijken voordat ik op mijzelf of een ander ga schieten, heb je een flink gewatteerde winterjas aan dan is de kracht van een Vesta al minimaal. Je zult dus al vrij snel voor een hoofd moeten gaan mocht je echt vanuit een zelfverdediging gaan schieten. Er zal vast wel het een en ander fout zijn gegaan maar in 9 van de 10 gevallen zal dat een flinke blauwe plek zijn. Dat is ook wel de crux van dit ding, tenzij je iemand echt in z'n oog schiet is een dodelijke verwonding bijna onmogelijk. De lomperikken die op zichzelf en vrienden schoten zullen hun domme acties niet overal delen en halen de media zeker niet op die manier. De echte crimineel gaat natuurlijk niet aan de haal met dit spul, daarvoor is het simpelweg niet krachtig genoeg.
-
Aller eerst, welkom op het forum! En inderdaad, de timing kon onmogenlijk beter zijn, enkele dagen na mijn bericht over de legaliteit van de x68 kwam de Nederlandse versie uit. Gezien je nu zelf de Vesta hebt, vraag eens een vriend van je of die op je wil schieten, voor de wetenschap. Ik ben het wel met je eens dat een -grote- kruisboog niet ideaal is voor home defense, die van mij kan ik met enorm veel moeite net aangespannen krijgen met een katrollen systeempje.😂 Ik krijg trouwens wel een beetje de kriebels van de woorden "maas in de wet", wat zeg maar in elke reclame, pardon, nieuws artikel van de Vesta stond. Welke maas, er is geen maas in de wet. Een maas in de wet zou zijn dat als iets als een luchtbuks verkocht is oorspronkenlijk en een luchtbuks serie nummer heeft en je het ombouwt tot een vuurwapen je niks fout zou doen omdat het volgens de wet nog steeds een buks zou zijn. Dit is gewoon een marketing team die de Nederlandse wapenwet een keertje door leest, niks anders als messen fabrikanten die messen maken die net 1mm onder de Nederlandse grens vallen. Maar wat jij ook zegt, moeten we willen dat jan en alle man zo'n ding hebben? Misschien denkt mijn brein te ver vooruit, maar die Sentinel is zo vaak in het nieuws geweest aan aangeprijst als een 'enorm krachtig maar legaal wapen', maar is dit ooit eerder gebeurt met een buks of iets? Ik vraag me af of het juist extra in de media is gekomen zodat half Nederland zo'n ding aanschaft, in de hoop dat iemand er een flinke fout mee maakt zodat ze nieuwe regeltjes kunnen maken voor 'krachtige' luchtbuksen. -zet zijn aluminium hoedje weer af-
-
Hallo allemaal, ben een nieuw lid op dit forum maar lees al even mee. Ik voel toch de behoefte om even te reageren. De Pistelle X-68 is (inmiddels) gewoon legaal te koop in Nederland. https://www.staaloutdoor.nl/pistelle-x-68-co2-68.html Zelf heb ik onlangs een Vesta gekocht voornamelijk omdat ik toch wel erg benieuwd was naar hoe dit nu schiet i.c.m. de prijs. Ik lees hierboven ook veel vragen als, wie koopt dit? Wat wil je ermee? etc. Los van of je het hier mee eens bent zijn er een paar simpele redenen die je kunnen overhalen: - De Vesta is bekend, er zijn bizar veel YouTube filmpjes te vinden met tests, uitleg, add-ons, you name it. - Het pistool is bizar eenvoudig te bedienen. Het CO2 patroon erin, tikje erop en klaar. Balletjes laden kan een kind nog, zelfs voor mensen zonder enige wapenkennis is dit apparaat te gebruiken. - Hij is SPOT goedkoop. 130 euro voor de Vesta, paar CO2 patronen, flashloader en genoeg munitie kosten je minder dan 200 euro. Dat is wel wat anders dan een Pistelle van dik 400 bijvoorbeeld. Wie zou dit ding willen hebben? Nou dat lijkt mij simpel. Mensen zonder wapenkennis of voor "close encouters" in huis. Daar komt mijn bezwaar tegen de kruisboog. Leuk om te hebben maar zo'n apparaat kun je onmogelijk veilig opbergen én snel pakken voor in huis gebruik. Ik heb zelf kinderen en deze Vesta zou je (ik berg hem beter op) gewoon in je nachtkastje kunnen leggen, CO2 patroon en munitie erin, 1 tik erop en je bent klaar. Als je het idee hebt jezelf tegen een inbreker te verdedigen -om maar iets te noemen- dan snap ik de keuze voor een Vesta. Om met een kruisboog bovenaan de trap te staan lijkt mij toch een stuk omslachtiger. Vereist sowieso meer kennis, is duurder en ik denk voor de gemiddelde Nederlander, dus niet de getrainde kruisboogschutter, ook niet te gebruiken "in nood". De Vesta en Pistelle zijn beide wapens die eigenlijk gebruik maken van de mazen in de wet. Maar ze zijn in feite nauwelijks van echt te onderscheiden, het enorme .50 gat in de loop zal een getrainde schutter snel duidelijkheid geven maar of je dat van een afstandje of in het donker ziet, dat vraag ik mij af. De Vesta en Pistelle zeker met zijn nog hogere kracht geven je echt wel een flinke tik als je een steelcore balletje tegen je kanus krijgt. De grote vraag blijft, moet je het willen dat de massa ongeoefende schutters zo makkelijk toegang krijgt tot wapens met toch een flinke kracht. Anderzijds pak ik voor echt close combat in huis liever een machete dan zo'n Vesta, maar ik kan mij voorstellen dat het mensen een soort van voel van veiligheid geeft. Betekent dus niet dat ik denk dat het slim is of dat de Vesta of Pistelle ook echt die veiligheid kan bieden, maar het gevoel snap ik wel.
-
xs4all werd lid van de community
-
Werkt nu goed op mobiel als het goed is, ben nog wat aan het spelen met layouts, maar zou moeten werken Als iemand mee wilt helpen, of iets gepubliceerd wilt hebben, zeg het maar!
- 146 antwoorden
-
- aangeraden
- advies
- (en 13 meer)
-
ik heb sinds vandaag een wiki gemaakt puur voor survival, hier kan je een account aanmaken en evt meehelpen met opvullen https://survival.six-shooter.nl
- 146 antwoorden
-
- 1
-
-
- aangeraden
- advies
- (en 13 meer)
